+31 (0)10-4115959
info@unosite.nl

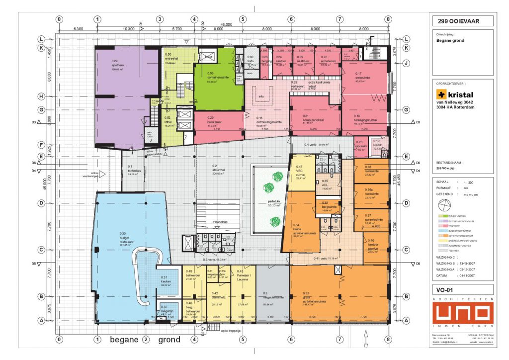
Ooievaar Gemiva SVG, Rotterdam IJsselmonde

Voor Gemiva SVG is op de begane grond van het wijkservice centrum een ruimte voor dagbesteding gemaakt.